重钢TRT发电电气系统在新区的应用情况
2012-08-07 13:37:53
引言
重钢环保搬迁2200m3高炉煤气余压透平发电装置TRT机组由西安陕鼓动力股份有限公司设计并成套供货。高炉炉顶煤气余压回收透平发电装置(Top Gas Pressure Recovery Turbine简称TRT)是目前国际上公认的有价值的二次能源回收装置。它是利用炼铁高炉炉顶煤气中的压力能及热能经透平膨胀做功来驱动发电机组发电。TRT发电机组回收高炉鼓风机所需能量的30%左右,实际上回收了原来在减压阀组中白白损失的能量。这种发电方式既不消耗任何燃料,也不产生环境污染,发电成本十分低廉,仅为燃气锅炉发电的20%左右,是一个重大节能技术措施项目,经济效益十分显著。
1、机组概况
发电机型号:QFW-16-2;
额定容量:20MWA;额定频率:50Hz;
额定电压:10.5kV;额定功率:1.6×104kW;
额定电流:1099.7A;转速:3000r/min;
临界转速1次/2次:1267/3756r/min;
功率因数:0.8超前;额定励磁电流:290A;
接法:Y;绝缘等级:F/F;
型式:无刷励磁同步发电机。
无刷励磁同步发电机包括主、副励磁机、励磁屏、空气冷却器,具有恒电压、恒无功、恒功率因数调节的功能。发电机带双轴承座,轴瓦强制油冷却,带整体底座。高炉短期休风时,发电机能自动转为电动机的运行方式。发电机的励磁由无刷励磁装置供给。无刷励磁装置由同轴旋转的交流无刷励磁、永副励磁机、旋转整流盘和静止的MAVR自动电压调节器组成
2、一次配电系统
重钢新区TRT系统高压一次接线系统图见图1。1台发电机出线PT柜;1台励磁用PT柜;1台发电机并网柜;1台母线PT柜;1台站用变压器柜;1台大容量开关进线柜;1台站用变压器(630kVA);1台升压变压器(35/10.5kV)。

图1:TRT发电机高压一次系统图
为避免短路冲击电流对发电机、输电线路等电器设备造成危害,因此本TRT高压系统进线采用能快速、可靠地开断短路电流的大容量高速开关装置(FSR)。该装置可在短路电流上升的初始阶段,即将短路电流开断(≤1ms),使其不能以短路电流的峰值流向短路点,从而达到了保护发配电设备及供电线路的目的。
低压系统采用单母线双分段供电方式,一路来至TRT发电机自身站用变压器低压系统,另一路来至其它站所的低压进线。将TRT主要低压供电设备润滑油泵、动力油泵1#、2#油泵分别接到这2段低压母线上。低压母联与Ⅰ、Ⅱ段进线低压断路器采用母联自动投切。防止由于TRT低压一段进线故障,另一段进线可通过母联自动投切带全站低压负荷。
3、发电机保护系统
发电机保护系统主要包括升高变压器保护系统、进线柜保护系统、发电机保护系统、站用变压器保护系统、线路光差保护系统及PT测控系统。微机保护装置选用Schneider公司产品,设置1套电气后台,具有向上级通讯功能,实现“四遥”功能,同时电气后台与调度中心可实现光线通讯。
1)线路光差保护系统。本发电站采用线路-变压器组的保护方式,将线路光差保护、升高变压器高后备及升高变压器非电量保护均通过线路光差保护装置跳两侧断路器开关。线路光差保护电流信号分别取至上级35kV侧馈线及TRT进线柜电流互感器。
2)升高变压器保护系统。重瓦斯保护、变压器油温高保护、压力释放保护、轻瓦斯报警、冷控失电保护。
3)进线柜保护系统。过负荷保护、速断保护、差动保护。
4)发电机保护系统。差动保护、速断保护、低电压保护、过电压保护、零序保护、失磁保护、逆功率保护、低周波保护、过负荷保护、励磁回路一点接地、励磁回路两点接地。发电机保护出口动作的同时去分励磁系统灭磁开关。
5)站用变保护系统。过负荷保护、速断保护、变压器温度高保护。
4、发电机励磁系统
TRT发电机励磁系统采用交流励磁机旋转硅整流器励磁,即三机(无刷)励磁系统。三机励磁系统由发电机、旋转整流二级管装置、主励磁机、副励磁机、励磁控制器、可控整流桥、灭磁开关等构成,见图2。发电机励磁电流由同轴的交流励磁机经硅整流二极管供给,交流励磁机的励磁电流由同轴的永磁式副励磁机经可控整流装置供给。副励磁机采用永磁式同步发电机,随着主机运行参数的变化,励磁调节控制器自动地改变交流励磁机励磁回路中可控整流装置的控制角,以改变交流励磁机的磁场电流,从而改变交流励磁机的输出电压,最终达到调节发电机励磁电流的目的。

图2:发电机励磁装置原理图
本TRT励磁系统采用某厂生产的DECR系列发电机励磁装置,包括:励磁控制器、可控整流桥、整流交流输入、直流输出开关。该装置为全双置励磁调节控制装置,2套励磁调节控制器互为备用运行,双整流桥并列运行。本装置设有横COSΦ调解及横无功调解等发电机励磁控制方式。
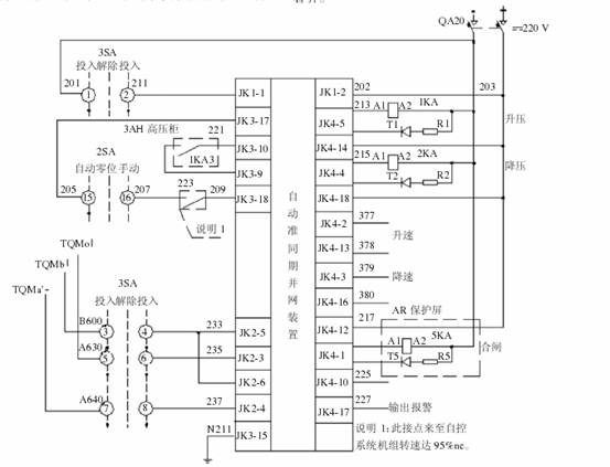
5、发电机并网装置
准同期并网按手动、自动2种方式设计。自动准同期装置选用某厂生产的自动准同期装置。自动准同期并网系统中当发电机的转速升至一定转速时,自动投入励磁调节系统,发电机实现自动升压、自动升速、自动并网。
发电机自动并网装置见图3。TQMb、TQMo;TQMa'、TQMb分别为待并侧和系统侧TV二次电压(TQMb公共接地),用于获取并网信息。3SA为自动同期投入开关,2SA为手/自动同期选择开关。JK3-9及JK3-10接入并列点断路器的辅助接点(常开),其用途有:①用来实测断路器合闸回路动作时间;②用来确认线路是在切除还是投入状态。在用于多对象时各并列点断路器辅助接点通过各自的同期开关或选线器接到装置的JK3-9及JK3-10上。JK3-18为同期装置开关量输入,即2SA选择自动位,透平机转速达到2850r/min时,通过该装置的JK4-3、JK4-16及JK4-2、JK4-13控制量输出给PLC系统发出“升速”、“降速”脉冲信号来自动调节转速:当PLC系统按下“电气控制转速”按钮后,PLC控制系统每次接受到准同期并网装置发送的“升速”、“降速”信号时,透平机转速设定值增、减0.5r/s。使发电机电压频率f向系统电压频率f1看齐。
图3:发电机自动并网装置原理图
自动准同期并网装置通过压差判别控制单元比较发电机电压U与系统电压U1的大小及方向,通过控制量输出JK4-5、JK4-14及JK4-4、JK4-18为发电机励磁自动调节系统升压、降压,以实现增、减励磁操作。从而达到调节发电机电压,使发电机电压U与系统电压U1满足并网条件。
合闸控制信号装置的引出端子为JK4-1、JK4-12,当该装置自动检测带并发电机和系统间频率差、电压均满足要求时,在发电机电压和系统电压相角差δ=0之前提前一个恒定的导前时间t发合闸脉冲命令,保证合闸瞬间相角差δ=0,发电机完成并网。
6、发电机紧急停机系统
TRT紧急停机系统是在了解发电机工艺要求的基础上,在TRT事故状态下第一时间停下发电机组,并及时从高炉煤气系统中切除TRT发电机,同时打开减压阀组,在切除发电机的同时确保高炉系统稳定运行。
6.1TRT发电机工艺简介
TRT发电机工艺图见图4。高炉产生的煤气,经重力干法除尘器,进入TRT装置。经入口电动碟阀,入口插板阀,快切阀,经透平机膨胀作功,带动发电机发电,自透平机出来的煤气,进入低压管网,与煤气系统中减压四阀组(液压快开阀)并联。

图4:TRT发电机工艺图
6.2TRT发电机停机系统简介
图5为发电机正常停机及事故停机程序框图。当TRT机组发生重故障时,由两旁通快开阀进行顶压控制。两旁通快开阀同时打开同样开度,两阀门同步对顶压进行自动调节。在高炉接到TRT跳机信号后,TRT运行人员可将旁通快开阀转为手动,并逐步关闭旁通快开阀,将顶压控制全部交给高炉控制室,控制减压阀组。

图5:TRT发电机停机逻辑框图
7、结束语
从理论入手并与实践相结合,通过对TRT发电机电气系统的发电机高/低压配电系统、发电机保护系统、发电机励磁系统、发电机并网装置和发电机紧急停机系统的介绍,使技术人员进一步了解重钢新区TRT发电机电气系统对发电机的作用。在学习过程中总结出的点滴体会也为重钢新区TRT发电机建设及应用积累了经验。
2012年1月
来源:重钢,铁诺咨询 

